美女免费高清在线观看电视剧_西西人体www大胆高清_8090新视觉理论电影电视剧免费观看_国产精品丝袜黑色高跟鞋

全國服務熱線021-64162222

蝶閥知識閥門首頁 > 閥門知識 > 蝶閥知識 >

電動蝶閥原理圖__ 220v電動蝶閥原理圖__ 電動蝶閥控制原理圖

[ 2015-12-15 ]
電動蝶閥有普通型和智能型。普通型,當接通其電機,閥門便開或合,視電機正反轉而定;智能型如AC380V的,給其供AC380V后,電機不動,內部控制電路板可以工作。當給其輸入4—20mA電流時,做相應動作。4mA時關閉,20mA時打開。而且有4—20mA模擬量反饋信號,以反應它的閥門開度大小。  電動蝶閥由電動執行器和蝶閥組成,電動執行器為90度旋轉,有開關和調節式兩種控制方式,通過電動執行器旋轉帶動蝶閥的開啟與關閉。具備手動操作功能,在斷電時通過手動操作來開關蝶閥。
 
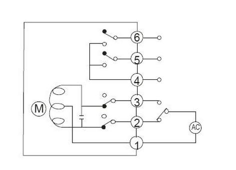
常見的電動蝶閥原理圖


電動蝶閥原理圖



開關型帶有源燈指示電動蝶閥原理圖,共有5根接線,1,2,3是控制部分,1,4,5是反饋部分 電動蝶閥原理圖
            
  
      
開關型帶無源觸點型反饋電動蝶閥原理圖,1,2,3是控制部分接線,4,5,6為無源觸點反饋


            
開關型帶開度信號反饋電動蝶閥原理圖。1,2,3為控制接線部分,4,5,6為反饋部分,輸出0-5K的電阻值,可以選定
電動蝶閥原理圖
本文標題:電動蝶閥原理圖__ 220v電動蝶閥原理圖__ 電動蝶閥控制原理圖 本文地址:http://mini361.com/tech-diefa/860.html

上一篇:電動對夾式硬密封蝶閥 / 下一篇:電動閥門控制器