美女免费高清在线观看电视剧_西西人体www大胆高清_8090新视觉理论电影电视剧免费观看_国产精品丝袜黑色高跟鞋

全國服務熱線021-64162222

蝶閥知識閥門首頁 > 閥門知識 > 蝶閥知識 >

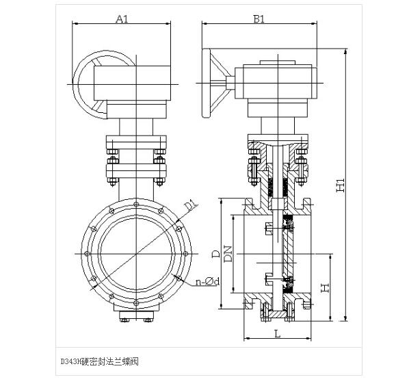
法蘭蝶閥D343H-25 DN600標準尺寸表及型號規格參數

[ 2024-10-12 ]

更多相關產品點擊:蝶閥


法蘭蝶閥D343H-25 DN600代表的含義是:D代表閥門類型為蝶閥,3代表驅動裝置為蝸輪,4代表連接方式為法蘭,3代表結構形式為三偏心,H代表閥座堆焊為不銹鋼,25代表公稱壓力為2.5MPA,DN600代表閥門的公稱直徑為600毫米。‌

法蘭蝶閥

具體來說,D343H-25中的每個字母和數字都有其特定的含義:

 

  • ‌D‌:代表閥門類型為蝶閥。
  • ‌3‌:代表驅動裝置為蝸輪。
  • ‌4‌:代表連接方式為法蘭。
  • ‌3‌:代表結構形式為三偏心。
  • ‌H‌:代表閥座堆焊為不銹鋼。
  • ‌25‌:代表公稱壓力為2.5MPA。
  • ‌C‌:代表閥體材料為碳素鋼WCB。
  • ‌DN600‌:代表閥門的公稱直徑為600毫米。
蝶閥

這種閥門通常用于介質溫度≤425℃的冶金、電力、石油化工、給排水和市政建設等工業管道上,主要用于調節流量和截斷流體‌。金屬硬密封蝶閥采用三偏心密封結構,閥座與蝶板幾乎無磨損,具有越觀越緊的密封功能。密封圈選用不銹鋼制作,具有金屬硬密封和彈性密封的雙重優點,無論在低溫和高溫的情況下,均具有優良的密封性能,具有耐腐蝕,使用壽命長等特點。蝶板密封面采用堆焊鈷基硬質合金,密封面耐磨損,使用壽命長。大規格蝶板采用絎架結構,強度高,過流面積大,流阻小。金屬硬密封蝶閥具有雙向密封功能,安裝時不受介質流向的限制,也不受空間位置的影響,可在任何方向安裝。驅動裝置可以多工位(旋轉90°或180°)安裝,便于用戶使用。

硬密封蝶閥
性能參數

型號
D343H-10
D343H-16
D343H-25
D343H-40
D343H-10P
D343H-16P
D343H-25P
D343H-40P
D343H-10R
D343H-16R
D343H-25R
D343H-40R
工作壓力(MPa)
1.0~4.0
適用溫度(℃)
≤425
≤200
適用介質
水、油或非腐蝕性介質
硝酸類介質
醋酸類介質
材料
閥體、蝶板
WCB
CF8/304
CF3M/316L
閥桿
2Cr13
304
316L
閥體密封面
堆焊 507
蝶板密封面
304+柔性石墨
304+PTFE
304+PTFE
填料
柔性石墨
PTFE
PTFE


PN0.6MPa~PN1.0MPa連接尺寸
公稱通徑
長度
標準值
外形尺寸
(參考值)
連接尺寸
(標準值)
重量
(kg)
L
H
H1
A1
B1
PN0.6MPa
PN1.0MPa
毫米
英寸
D
D1
Z-d
D
D1
Z-d
50
2
108
150
112
350
180
200
140
110
4-14
165
125
4-18
17
65
21/2
112
170
115
370
180
200
160
130
4-14
185
145
4-18
20
80
3
114
180
120
380
180
200
190
150
4-18
200
160
8-18
23
100
4
127
190
138
420
180
200
210
170
4-18
220
180
8-18
25
125
5
140
200
164
460
180
200
240
200
8-18
250
210
8-18
40
150
6
140
210
175
555
270
280
265
225
8-18
285
240
8-22
47
200
8
152
230
208
605
270
280
320
280
8-18
340
295
8-22
60
250
10
165
250
243
680
270
280
375
335
12-18
395
350
12-22
95
300
12
178
270
283
800
380
420
400
395
12-22
445
400
12-22
124
350
14
190
290
310
835
380
420
490
445
12-22
505
460
16-22
181
400
16
216
310
340
915
450
470
540
495
16-22
565
515
16-26
260
450
18
222
330
380
960
480
490
595
550
16-22
615
565
20-26
338
500
20
229
350
410
1020
480
490
645
600
20-22
670
620
20-26
360
600
24
267
390
470
1225
480
490
755
705
20-26
780
725
20-30
540
700
28
292
430
550
1355
640
660
860
810
24-26
895
840
24-30
580
800
32
318
470
640
1470
640
660
975
920
24-30
1015
950
24-33
845
900
36
330
510
710
1545
750
860
1075
1020
24-30
1115
1050
28-33
1050
1000
40
410
550
770
1795
850
900
1175
1120
28-30
1230
1160
28-36
1500
1200
48
470
630
890
1965
850
900
1405
1340
32-33
1455
1380
32-39
2000
PN1.6MPa~PN2.5MPa連接尺寸
公稱通徑
長度
標準值
外形尺寸
(參考值)
連接尺寸
(標準值)
重量
(kg)
L
H
H1
A1
B1
PN1.6MPa
PN2.5MPa
毫米
英寸
D
D1
Z-d
D
D1
Z-d
50
2
108
150
112
350
180
200
165
125
4-18
165
125
4-18
19
65
21/2
112
170
115
370
180
200
185
145
4-18
185
145
8-18
22
80
3
114
180
120
380
180
200
200
160
8-18
200
160
8-18
25
100
4
127
190
138
420
180
200
220
180
8-18
235
190
8-22
28
125
5
140
200
164
460
180
200
250
210
8-18
270
220
8-26
43
150
6
140
210
175
555
270
280
285
240
8-22
300
250
8-26
50
200
8
152
230
208
605
270
280
340
295
12-22
360
310
12-26
64
250
10
165
250
243
680
270
280
405
355
12-26
425
370
12-30
99
300
12
178
270
283
800
380
420
460
410
12-26
485
430
16-30
130
350
14
190
290
310
835
380
420
520
470
16-26
555
490
16-33
188
400
16
216
310
340
915
450
470
580
525
16-30
620
550
16-36
270
450
18
222
330
380
960
450
470
640
585
20-30
670
600
20-36
350
500
20
229
350
410
1020
480
490
715
650
20-33
730
660
20-36
375
600
24
267
390
470
1225
640
660
840
770
20-36
845
770
20-39
560
700
28
292
430
550
1355
640
660
910
840
24-36
960
875
24-42
610
800
32
318
470
640
1470
640
660
1025
950
24-39
1085
990
24-48
880
900
36
330
510
710
1545
650
860
1125
1050
28-39
1185
1090
28-48
1100
1000
40
410
550
770
1795
650
900
1255
1170
28-42
1320
1210
28-56
1600
1200
48
470
630
890
1965
650
900
1485
1390
32-48
1530
1420
32-56
2150
用戶注意:表中H1、H2、H3尺寸均可根據用戶需要加長(長桿蝶閥),若需特殊材料定貨時提出。注:Dt-代表彈性密封結構
PN4.0MPa連接尺寸
公稱通徑
結構長度(標準值)
外形尺寸(參考值)
連接尺寸(標準值)
L
H
H1
A1
B1
PN4.0MPa
毫米
英寸
D
D1
Z-d
50
2
108
150
112
350
180
200
165
125
4-18
65
21/2
112
170
115
370
180
200
185
145
8-18
80
3
114
180
120
380
180
200
200
160
8-18
100
4
127
190
138
420
180
200
235
190
8-22
125
5
140
200
164
460
180
200
270
220
8-26
150
6
140
210
175
555
270
280
300
250
8-26
200
8
152
230
208
605
270
280
375
320
12-30
250
10
165
250
243
680
270
280
450
385
12-33
300
12
178
270
283
800
380
420
515
450
16-33
350
14
190
290
310
830
380
420
580
510
16-36
400
16
216
310
340
915
450
470
660
585
16-39
450
18
222
330
380
960
480
490
685
610
20-39
500
20
229
350
410
1020
480
490
755
670
20-42

本文標題:法蘭蝶閥D343H-25 DN600標準尺寸表及型號規格參數 本文地址:http://mini361.com/tech-diefa/5851.html

上一篇:蝶閥D71X-10Q-DN400型號的含義及產品說明書 / 下一篇:沒有了