美女免费高清在线观看电视剧_西西人体www大胆高清_8090新视觉理论电影电视剧免费观看_国产精品丝袜黑色高跟鞋

全國服務熱線021-64162222

蝶閥知識閥門首頁 > 閥門知識 > 蝶閥知識 >

電動蝶閥的接線方法及接線圖

[ 2013-06-13 ]

電動蝶閥的接線方法及接線圖

電動蝶閥電動執行器蝶閥組成,電動執行器為90度旋轉,有開關和調節式兩種控制方式,通過電動執行器旋轉帶動蝶閥的開啟與關閉。具備手動操作功能,在斷電時通過手動操作來開關蝶閥。

常見的電動蝶閥接線圖如下:
開關型帶有源燈指示電動蝶閥接線圖,共有5根接線,1,2,3是控制部分,1,4,5是反饋部分
電動蝶閥接線圖1
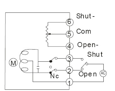
開關型帶無源觸點型反饋電動蝶閥接線圖,1,2,3是控制部分接線,4,5,6為無源觸點反饋
電動蝶閥接線圖2
 開關型帶開度信號反饋電動蝶閥接線圖。1,2,3為控制接線部分,4,5,6為反饋部分,輸出0-5K的電阻值,可以選定
電動蝶閥接線圖3

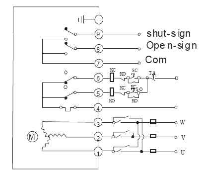
AC380V三相電源電動蝶閥接線圖
電動蝶閥接線圖4

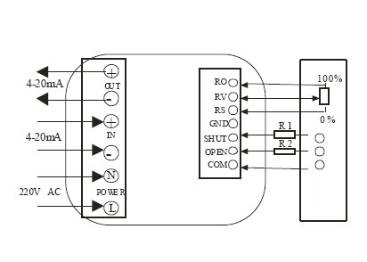
智能調節式電動蝶閥接線圖,輸入輸出4-20mA
電動蝶閥接線圖5
直流DC24V DC12V電動蝶閥接線圖   交換正負正開關電動蝶閥同時無源信號反饋
電動蝶閥接線圖6
感謝您訪問我們的網站【http://mini361.com/】,如有任何疑問.您可以致電給我們,我們一定會盡心盡力為您提供優質的服務。
本文標題:電動蝶閥的接線方法及接線圖 本文地址:http://mini361.com/tech-diefa/148.html

上一篇:電動法蘭蝶閥安裝注意事項及特點 / 下一篇:信號蝶閥的安裝使用及注意事項