美女免费高清在线观看电视剧_西西人体www大胆高清_8090新视觉理论电影电视剧免费观看_国产精品丝袜黑色高跟鞋

全國服務熱線021-64162222

對夾蝶閥閥門首頁 > 產品展示 > 蝶閥 > 對夾蝶閥 >

產品名稱:80電動不銹鋼對夾蝶閥[ 2022-09-26 ]

訂購熱線:021-64162222
訂購傳真:021-62677999
質量穩定:實行全過程質量監控,細致入微全方位檢測!
價格合理:高效內部成本控制,減少了開支,讓利于客戶
交貨快捷:先進生產流水線,充足的備貨,縮短了交貨期!
  • 產品介紹
  • 規格尺寸
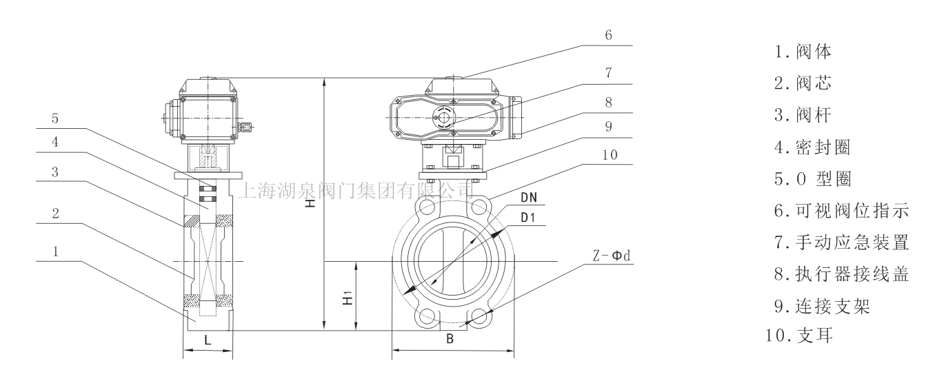
  • 結構圖片
  • 一、80電動不銹鋼對夾蝶閥產品介紹

    上海湖泉閥門集團有限公司80電動不銹鋼對夾蝶閥是用閥桿一起轉動的蝶板作啟閉件,用以實現閥門的開啟,關閉與調節,它是在過流部件、閥體、蝶...湖泉閥門不銹鋼對夾式蝶閥,專業的閥門生產廠家,多種材質,通過ISO9001,獲得生產許可TS認證,質量可靠,全國銷量高,不銹鋼對夾式蝶閥歡迎來電咨詢!電動不銹鋼對夾蝶閥 產品型號:d971x 公稱通徑:dn50~2000mm 公稱力:pn0.6~1.6mpa 適用溫度:丁腈橡膠:-40℃~90℃氟橡膠:-20℃~200℃ 適用介質:水,空氣,天然氣,油品及弱腐蝕...采用一體化結構,接入220VAC電源即可控制運轉,也可加入控制模塊輸入控制信號(4-20mADC或1-5VDC)進行調節控制。
    80電動不銹鋼對夾蝶閥

    二、80電動不銹鋼對夾蝶閥優點

    1、外形精致美觀、線條流暢清晰、做工更加考究。
    2、體積小,重量輕,性能好,可靠試驗,絕緣等級F級。
    3、雙向流通,任意角度安裝。
    4、開關型控制,90°角行程自動限位。
    5、電機過熱保護,可視閥位指示,觸點信號輸出,應急手動裝置。
    6、連接方式:對夾式D/法蘭式F。
    7、連接尺寸:對夾式DN50-1200mm/法蘭式DN50-2000mm。
    8、閥體材質:鑄鐵材質QT/鑄鋼材質WCB/不銹鋼材質SUS304/316/316L。
    9、密封材質:丁腈橡膠NBR/聚四氟乙烯PTFE/對位聚苯PPL/硬質合金V。
    10、常規電壓:交流AC380V/AC220V/AC24V、直流DC24V/DC12V。
    11、信號輸出:無源觸點輸出、有源觸點輸出。
    12、其他配置:戶外防水、環境防爆、智能調節4-20mA等。

    三、80電動不銹鋼對夾蝶閥技術參數和性能

    電動執行器技術參數 D971X電動不銹鋼蝶閥閥體參數
    電      源 AC110、220、380V/DC24、220V 公稱通徑 DN50~500mm
    輸出力矩 50N·M~2000N·M 公稱壓力 PN1.0、1.6MPa
    任選功能 開關型、觸點型、開度信號、智能型 閥軸材質 304/316/316L不銹鋼
    動作范圍 0~90°(±5°) 閥體材質 304/316/316L不銹鋼
    動作時間 15秒 / 30秒 / 60秒 閥板材質 304/316/316L不銹鋼 、尼龍
    環境溫度 -30℃~+60℃ 閥座密封 EPDM、NBR、耐磨橡膠
    手動操作 附帶手柄操作 結構形式 中線型、無銷型
    限      位 電氣、機械二重限位 溫      度 EPDM≤80℃、NBR≤68℃
    防護等級 IP-67(防爆外殼:Exd Ⅱ BT4 IP67可選) 適用介質 水、空氣、天然氣
    輸入信號 0-10,1-5VDC / 4-20mA(智能型) 特     點 用途廣、整體造價低、流量大、流阻小
     
  • 四、80電動不銹鋼對夾蝶閥外形尺寸

    公稱通徑DN A B C D E 額定功率 額定電流
    壓力 1.0/1.6 1.0/1.6 1.0/1.6 1.0/1.6 1.0/1.6    
    40 155 349 57 104 32 15W 0.2A
    50 155 353 62 104 43 15W 0.2A
    65 155 362 70 104 46 15W 0.2A
    80 155 368 89 104 46 15W 0.2A
    100 208 392 106 115 52 25W 0.5A
    125 208 407 120 115 56 25W 0.5A
    150 208 446 132 115 56 25W 0.5A
    200 256 489 164 127 60 50W 0.8A
    250 256 514 200 127 68 50W 0.8A
    300 256 568 238 127 78 90W 1.0A
    350 288 629 280 164 78 120W 1.2A
    400 288 662 302 164 102 120W 1.2A
    450 288 693 335 164 114 150W 1.2A
    500 288 729 360 164 127 150W 1.2A
    訂貨說明:
    1、電源電壓:DC24V、DC220V、AC110V、AC220V、AC380V。
     
  • 80電動不銹鋼對夾蝶閥

上一篇:D971X-16p dn150 耐磨不銹鋼電動對夾蝶閥 / 下一篇:對夾式電動蝶閥dn50